來源:本站???作者:001 ???發布時間: 2023-11-20 10:49???瀏覽: 1461
大電流光耦繼電器的應用!
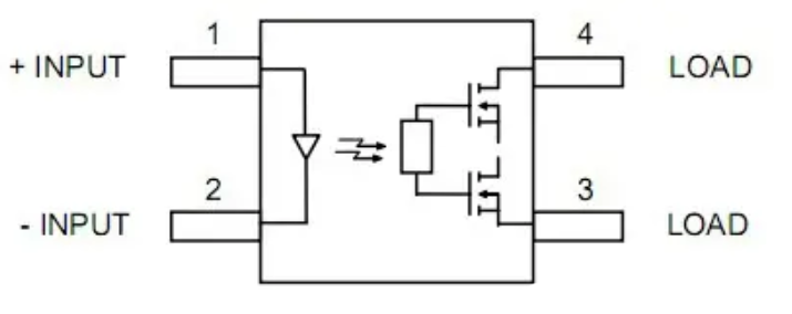
光耦繼電器是一種將輸入和輸出電路通過光耦隔離的電器元件,具有隔離性能好、電氣性能穩定等優點,被廣泛應用于電力系統、通信設備、自動化控制等領域。常用光耦繼電器主要有以下幾種:
1.光耦隔離型繼電器
光耦隔離型繼電器是將輸入和輸出電路通過光耦隔離的一種繼電器。它的輸入端和輸出端通過光耦隔離,具有隔離性能好、抗干擾能力強等特點。光耦隔離型繼電器常用于電力系統中,用于隔離高壓和低壓電路,保護電路安全穩定運行。
2.光耦輸出型繼電器
光耦輸出型繼電器是將輸入信號轉換為光信號,然后通過光電轉換器將光信號轉換為電信號輸出的一種繼電器。它的輸入端接收電信號,通過內部的光電轉換器將電信號轉換為光信號,再通過輸出端輸出。光耦輸出型繼電器常用于自動化控制系統中,用于控制各種電氣設備的開關。
3.光耦輸入型繼電器
光耦輸入型繼電器是將輸入信號轉換為光信號,然后通過光電轉換器將光信號轉換為電信號輸入的一種繼電器。它的輸出端接收光信號,通過內部的光電轉換器將光信號轉換為電信號,再通過輸出端輸出。光耦輸入型繼電器常用于通信設備中,用于接收光信號并轉換為電信號進行處理。
4.光耦耦合型繼電器
光耦耦合型繼電器是將輸入和輸出電路通過光耦隔離并耦合在一起的一種繼電器。它的輸入端和輸出端通過光耦隔離,并且通過耦合裝置將輸入端和輸出端耦合在一起。光耦耦合型繼電器常用于電力系統中,用于實現不同電路之間的耦合和隔離。

常用光耦繼電器主要包括光耦隔離型繼電器、光耦輸出型繼電器、光耦輸入型繼電器和光耦耦合型繼電器。它們在電力系統、通信設備、自動化控制等領域發揮著重要作用,具有隔離性能好、電氣性能穩定等優點。
公司介紹:上海上繼科技有限公司是一家專業從事電力系統繼電保護及智能電網電力自動化產品的研發、設計、生產、銷售和服務為一體的高科技公司。擁有資深繼電保護專家團隊和國內領先的檢測儀器及校驗設備。同時還引用國內外先進技術,來進行技術創新。本公司的產品廣泛用于電力、工礦、鐵路、建筑等國家重大工程輸配變電系統上,產品遠銷東南亞及中東地區。產品通過國家繼電保護及自動化設備質量監督檢驗中心檢測,獲得ISO9001國際質量體系認證。“科技創新,誠信務實”是公司的經營理念,本公司以高超的技術支持和對用戶高度負責的售后服務贏得了輸配電成套企業的信賴,且樹立了良好的信譽。
公司主營:繼電器(時間繼電器,電壓繼電器,電流繼電器,中間繼電器,信號繼電器,閃光繼電器,沖擊繼電器,同步檢查繼電器,接地繼電器,差動繼電器,重合閘繼電器,絕緣監視繼電器,雙位置繼電器,模數化繼電器),微機保護裝置,電力儀表,智能操控裝置
上海上繼科技有限公司(專注電力保護繼電器生產廠家)銷售熱線:021-57233089 QQ:1932551438
{以上內容僅供參考,上海上繼科技有限公司有最終解釋權}
更多繼電器精彩文章——熱繼電器的結構_熱繼電器的工作原理
下一篇:熱繼電器上h和a是什么意思

